1. Кіріспе
Тиімді сұйықтықпен басқару жұмыс үшін оң клапаны таңдауға байланысты. , Сорт, Инженерлер әр түрлі стандарттарды аудару үшін клапан мөлшерін салыстыру кестелеріне сүйенеді, өлшемді деректерді салыстырыңыз, және үйлесімділікті тексеріңіз.
Бұл бөлімде, Біз мақаланың ауқымын нақтылаймыз, Төмен сызық сызығын өлшейді, және клапан мөлшерін салыстыру кестесін анықтаңыз, және неге ол күнделікті тәжірибеге пайдалы екенін анықтайды.
- Мақсаты мен қолданылу аясы: Біз процесті қамтамасыз етуді мақсат етеміз, механикалық, және клапан өлшемін салыстыру және пайдалану үшін инженерлер инженерлері.
- Нақты мөлшерлеудің маңыздылығы: Мінсіз клапандар а-ға дейін болуы мүмкін 15% Технологиялық тиімділікті төмендету, ерте тозуға әкеледі, немесе тіпті жүйенің ақауларын тудырады. Қайта, Дұрыс өлшемді клапандар ағынды оңтайландырады, Энергия шығынын азайту, Жабдықтың өмірін ұзартыңыз.
- Салыстыру кестелеріне шолу: Оның өзегінде, Клапан өлшемі салыстыру кестесі номиналды құбыр мөлшерін туралайды (Ұлттық желі) немесе номиналдың диаметрі (Дн) Нақты ұңғылар диаметрі бар белгілер, Бет-әлпет, фланец туралы мәліметтер, және қатысты параметрлер.
Осылайша, ол ANSI арқылы жылдам сілтеме жасауға мүмкіндік береді, -Ден, Ол, Исо, және басқа стандарттар.
2. Клапанның негіздері
Салыстыру кестесін жобалау немесе түсіндіру алдында, Негізгі өлшемдік тұжырымдамаларды түсіну керек.
Астында, Біз номиналды номиналды салыстырғанда нақты мөлшерде қарама-қайшы, Сыни өлшемді параметрлерді анықтаңыз, және бұл факторлар ағынға және өнімділікке қалай әсер ететінін түсіндіріңіз.

Номиналды құбыр мөлшері (Ұлттық желі) қарсы және. Нақты бордақылау (Куәлік)
- Ұлттық желі стандартталған жапсырманы білдіреді (E.Г., Ұлттық желі 4), Бірақ ол жасайды жоқ ішкі диаметрге тең.
- Нақты бордақылау (Куәлік) Өндіруші және стандартқа байланысты өзгереді: Мысалы, Ұлттық желі 4 әдетте идентификаторы бар 4.026 -да (102.3 мм) ANSI клапандарында, бірақ DIN немесе JIS техникалық сипаттамаларымен ерекшеленуі мүмкін.
Негізгі өлшемді параметрлер
- Бетпе-бет (F2f): Құбырдың орналасуы үшін клапанның арасындағы қашықтық сыни.
- Соңы (E2e): F2F-ке ұқсас, бірақ кейде вафли немесе люг түріндегі клапандар үшін қолданылады.
- Фланец өлшемдері: Сыртқы диаметрі (-Ден), Болт-шеңбер диаметрі (BCD), болт тесіктері мен мөлшері.
Ағынға және өнімділікке әсер ету
Клапанның өлшемі қатты әсер етеді (Δ) және ағын коэффициенті (Резюме).
Мысалы, Клапанның бір NP-ге көтерілуі түйіндемені шамамен 20-25% -ға арттыруы мүмкін, Осылайша, жоғары ағынды қосымшаларда энергия шығынын азайтады.
3. Халықаралық және өнеркәсіптік стандарттар
Ғаламдық операциялар біртұтас өзара әрекеттесуді талап етеді. Солай, Инженерлер бірнеше стандартты органдарды шарлау керек:
| Стандартты дене | Негізгі құжаттар | Қысым сыныптары |
|---|---|---|
| ANSI / ASME (АҚШ) | B16.10, B16.5 | 150#, 300#, 600#, т.б. |
| Сенің біреуің (Еуропа) | -Да 558, Pn сыныптары | П. аң 6, П. аң 10, П. аң 16, П. аң 40 |
| Ол (Жапония) | B2239 (F2f), B2002 (фланецтер) | 5К, 10К, 16К, 20К |
| Исо (Ғаламдық) | 5752, 7005 | Қатар 1, Қатар 2 |
4. Gate клапан өлшемін салыстыру кестесі
Сілтеме жасалған стандарттар: Asme b16.10, Asme b16.5 (Сыныптау 150), -Да 558, -Да 1092-1 (PN16)
Клапан түрі: Фланурды, Толық порт қақпасы клапан
Болжамдалған материал: Көміртекті болат (Wcb), Тікелей дизайн
| Ұлттық желі (-да) | Дн (мм) | Нақты бордақылау (Куәлік, мм) | Бетпе-бет (мм) | Фланец (мм) | Болт шеңбер (мм) | Жоқ. болттар | Болт тесік (мм) |
|---|---|---|---|---|---|---|---|
| 2 | 50 | 51 | 178 | 152 | 120.5 | 4 | 19 |
| 2½ | 65 | 64 | 190 | 178 | 139.7 | 4 | 19 |
| 3 | 80 | 76 | 203 | 190 | 152.4 | 4 | 19 |
| 4 | 100 | 102 | 229 | 229 | 190.5 | 8 | 19 |
| 5 | 125 | 127 | 254 | 254 | 216 | 8 | 22 |
| 6 | 150 | 152 | 267 | 279 | 241.3 | 8 | 22 |
| 8 | 200 | 203 | 292 | 343 | 298.5 | 8 | 22 |
| 10 | 250 | 254 | 330 | 406 | 362 | 12 | 25 |
| 12 | 300 | 305 | 356 | 483 | 431.8 | 12 | 25 |
| 14 | 350 | 337 | 381 | 533 | 476.3 | 12 | 29 |
| 16 | 400 | 387 | 406 | 597 | 539.8 | 16 | 29 |
| 18 | 450 | 438 | 432 | 635 | 577.9 | 16 | 32 |
| 20 | 500 | 489 | 457 | 699 | 635 | 20 | 32 |
| 24 | 600 | 591 | 508 | 813 | 749.3 | 20 | 35 |
ЕСталдар:
- Нақты бордақылау (Куәлік) Өндіруші мен тримдік стильге байланысты аздап өзгеруі мүмкін; мәндер толық портты дизайнға тән.
- Бетпе-бет мәндер ASME B16.10 немесе EN 558 Қатар 1.
- Фланец, Болт шеңбері, жіне Болт өлшемдері ASME B16.5 класын қадағалаңыз 150 / -Да 1092-1 PN16 қолданылуы мүмкін.
- Барлық өлшемдер кіреді миллиметр Егер басқаша атап өтсе.
- Жеке клапан дизайны немесе жоғары қысымды сыныптар (Сыныптау 300, PN25) әр түрлі фланецті және дене өлшемдерін қажет етеді.
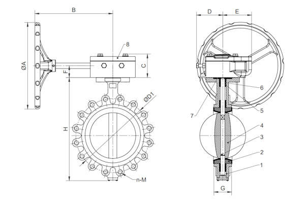
5. Көбелек клапан мөлшерін салыстыру кестесі
Клапан түрі: Вафли-стильдегі жұмсақ тығыздағыштар көбелек клапаны
Стандарттар: -Да 558 Қатар 20 (Бетпе-бет), -Да 1092-1 (Фланец), ASME B16.5 класы 150 Фланецтер
Қысым рейтингі: PN10 / PN16 / ANSI класы 150
| Дн (мм) | Ұлттық желі (-да) | Бетпе-бет (мм) | Фланецтің сыртқы диаметрі (-Ден, мм) | Болт шеңбер диаметрі (BCD, мм) | Болт тесіктерінің саны | Болт тесік диаметрі (мм) |
|---|---|---|---|---|---|---|
| 50 | 2 | 108 | 165 | 125 | 4 | 18 |
| 65 | 2½ | 114 | 185 | 145 | 4 | 18 |
| 80 | 3 | 127 | 200 | 160 | 8 | 18 |
| 100 | 4 | 140 | 220 | 180 | 8 | 18 |
| 125 | 5 | 152 | 250 | 210 | 8 | 18 |
| 150 | 6 | 165 | 285 | 240 | 8 | 22 |
| 200 | 8 | 191 | 340 | 295 | 8 | 22 |
| 250 | 10 | 216 | 395 | 350 | 12 | 22 |
| 300 | 12 | 241 | 445 | 400 | 12 | 22 |
| 350 | 14 | 267 | 505 | 460 | 16 | 22 |
| 400 | 16 | 292 | 565 | 515 | 16 | 26 |
| 450 | 18 | 318 | 620 | 565 | 20 | 26 |
| 500 | 20 | 343 | 670 | 620 | 20 | 26 |
| 600 | 24 | 394 | 780 | 725 | 20 | 30 |
Қосымша ескертпелер:
- Бетпе-бет EN үшін өлшемдер 558 Қатар 20 Вафли дизайны PN10 / PN16 немесе ANSI класындағы фланецтермен үйлесімділікті қамтамасыз етіңіз 150.
- Фланец өлшемдері (-Ден, болт шеңбері, болт тесіктері) en-ге сәйкес келеді 1092-1 немесе ASME B16.5 құбырлар фланецтері арасында дұрыс орнатуды қамтамасыз ету.
- Болт тесік мөлшері мен нөмірі қысымды тұтастықты сақтау үшін фланец класы мен мөлшеріне сәйкес келеді.
- Жұмсақ тығыздағыштар көбелек клапандары эластомериялық лайнерлерді пайдаланады (EPDM, Нгр, Витон) суға артықшылық беріледі, Hvac, және жеңіл химиялық қызметтер.
6. Фланец түрі жұмсақ тығыздағыштың көбелек клапанын салыстыру кестесі
Клапан түрі: Жұмсақ тығыздағыштың көбею клапаны
Стандарттар: -Да 558 Қатар 20 (Бетпе-бет), -Да 1092-1 (Фланец PN10 / 16), ASME B16.5 класы 150 Фланецтер
Қысым класы: PN10 / LIM16 / ANSI класы 150
| Дн (мм) | Ұлттық желі (-да) | Бетпе-бет (мм) | Фланецтің сыртқы диаметрі (мм) | Болт шеңбер диаметрі (мм) | Болт тесіктерінің саны | Болт тесік диаметрі (мм) |
|---|---|---|---|---|---|---|
| 50 | 2 | 140 | 165 | 125 | 4 | 18 |
| 65 | 2½ | 152 | 185 | 145 | 4 | 18 |
| 80 | 3 | 165 | 200 | 160 | 8 | 18 |
| 100 | 4 | 178 | 220 | 180 | 8 | 18 |
| 125 | 5 | 191 | 250 | 210 | 8 | 18 |
| 150 | 6 | 203 | 285 | 240 | 8 | 22 |
| 200 | 8 | 229 | 340 | 295 | 8 | 22 |
| 250 | 10 | 254 | 395 | 350 | 12 | 22 |
| 300 | 12 | 279 | 445 | 400 | 12 | 22 |
| 350 | 14 | 305 | 505 | 460 | 16 | 22 |
| 400 | 16 | 330 | 565 | 515 | 16 | 26 |
| 450 | 18 | 356 | 620 | 565 | 20 | 26 |
| 500 | 20 | 381 | 670 | 620 | 20 | 26 |
| 600 | 24 | 432 | 780 | 725 | 20 | 30 |
ЕСталдар:
- Бетпе-бет Өлшем en сәйкес келеді 558 Қатар 20 Фланец-көбелектің клапанының стандарты, PN10 / PN16 немесе ANSI класы фланецтер арасында орнатуға жарамды 150.
- Фланец, Болт шеңбер диаметрі, Болт тесікше және мөлшері en-ге сәйкес келеді 1092-1 және ASME B16.5 стандартты құбырлар фланецтерімен үйлесімділікті қамтамасыз ету үшін.
- Жұмсақ тығыздағыш әдетте эпдм сияқты эластомерлерді қолданады, Нгр, алтын витон, Су үшін керемет тығыздауды қамтамасыз ету, ауа, және жеңіл химиялық қосымшалар.
- Фланецтік көбелек клапандары құбырлы фланецтерді мазаламай оңай жоюға / ауыстыруға мүмкіндік береді.
7. Стандартты көбелек клапанның өлшемдері
Стандарт: -Да 558 (Бетпе-бет) & -Да 1092-1 (Фланец)
Клапан түрі: Вафли / фланеген, Жұмсақ пломба
Қысым класы: PN10 / PN16
| Дн (мм) | Бет-әлпет ұзындығы (мм) | Фланецтің сыртқы диаметрі (мм) | Болт шеңбер диаметрі (мм) | Болт тесіктерінің саны | Болт тесік диаметрі (мм) |
|---|---|---|---|---|---|
| 50 | 108 | 165 | 125 | 4 | 18 |
| 65 | 114 | 185 | 145 | 4 | 18 |
| 80 | 127 | 200 | 160 | 8 | 18 |
| 100 | 140 | 220 | 180 | 8 | 18 |
| 125 | 152 | 250 | 210 | 8 | 18 |
| 150 | 165 | 285 | 240 | 8 | 22 |
| 200 | 191 | 340 | 295 | 8 | 22 |
| 250 | 216 | 395 | 350 | 12 | 22 |
| 300 | 241 | 445 | 400 | 12 | 22 |
| 350 | 267 | 505 | 460 | 16 | 22 |
| 400 | 292 | 565 | 515 | 16 | 26 |
| 450 | 318 | 620 | 565 | 20 | 26 |
| 500 | 343 | 670 | 620 | 20 | 26 |
| 600 | 394 | 780 | 725 | 20 | 30 |
Ұғындыру:
- Бет-әлпет ұзындығы: En 558 Қатар 20, вафли мен люгтер көбелек клапандарына қолданылады.
- Фланецтің сыртқы диаметрі, Болт шеңбер диаметрі, Болт тесік саны / мөлшері: EN негізінде 1092-1 PN10 және PN16 қысым класына арналған фланец стандарттары.
- Бұл өлшемдер сәйкес құбырлар фланецтерімен үйлесімділікті қамтамасыз етеді және орнатуды жеңілдетеді.
- Та Болт тесік үлгісі Дұрыс механикалық беріктікті және тұтастығын қамтамасыз етеді.
8. Шарлы клапан мөлшері Стандарттар кестесі
ANSI өлшемдері американдық стандарттарды көрсетеді; Өлшемдер еуропалық стандарттарды көрсетеді.
Сілтеме жасалған стандарттар: ANSI негізінде / ASME стандарттары
Сілтеме жасалған стандарттар:
- Asme b16.10 - бетпе-бет және соңғы өлшемдер
- Asme b16.5 - Фланецті қосылыстар (150-2500 қысымды сыныптар үшін)
- Asme b16.34 - клапан дизайны, материалдар, және қысымды температура рейтингі
| Дн (мм) | Ұлттық желі (-да) | Бетпе-бет (мм) ANSI / ASME B16.10 | Фланец (мм) ANSI B16.5 класы 150 | Болт шеңбер диаметрі (мм) ANSI B16.5 | Болттар саны | Болт тесік диаметрі (мм) | Бетпе-бет (мм) -Да 558 | Фланец (мм) -Да 1092-1 PN16 | Болт шеңбер диаметрі (мм) -Да 1092-1 | Болттардың саны 1092-1 | Болт тесік диаметрі (мм) -Да 1092-1 |
|---|---|---|---|---|---|---|---|---|---|---|---|
| 50 | 2 | 152 | 165 | 125 | 4 | 18 | 140 | 185 | 145 | 4 | 18 |
| 65 | 2½ | 165 | 190 | 145 | 4 | 18 | 152 | 200 | 160 | 8 | 18 |
| 80 | 3 | 178 | 215 | 160 | 8 | 18 | 165 | 220 | 180 | 8 | 18 |
| 100 | 4 | 190 | 254 | 180 | 8 | 18 | 178 | 250 | 210 | 8 | 18 |
| 125 | 5 | 216 | 279 | 210 | 8 | 22 | 191 | 285 | 240 | 8 | 18 |
| 150 | 6 | 241 | 324 | 241 | 8 | 22 | 216 | 320 | 295 | 8 | 22 |
| 200 | 8 | 292 | 406 | 362 | 8 | 22 | 267 | 405 | 355 | 8 | 22 |
| 250 | 10 | 330 | 483 | 432 | 12 | 25 | 292 | 460 | 410 | 12 | 22 |
| 300 | 12 | 356 | 559 | 483 | 12 | 25 | 318 | 515 | 460 | 12 | 22 |
| 350 | 14 | 394 | 597 | 539 | 16 | 29 | 343 | 565 | 515 | 16 | 22 |
| 400 | 16 | 432 | 673 | 595 | 16 | 29 | 368 | 620 | 565 | 16 | 26 |
| 450 | 18 | 483 | 698 | 622 | 20 | 32 | 394 | 675 | 615 | 20 | 26 |
| 500 | 20 | 508 | 749 | 673 | 20 | 32 | 419 | 730 | 670 | 20 | 26 |
| 600 | 24 | 584 | 864 | 787 | 20 | 35 | 483 | 840 | 780 | 20 | 30 |
Ұғындыру:
- Бетпе-бет: Клапанның ұзындығы, Құбырларды бекіту үшін сыни.
- Фланецтің сыртқы диаметрі (-Ден) жіне Болт шеңбер диаметрі фланецтің үйлесімділігін анықтаңыз.
- Болттардың саны мен мөлшері Фланецтің мөлшері мен қысым рейтингісіне байланысты.
- Айырмашылықтар халықаралық жобаларда адаптерлер немесе арнайы фланецтерді қажет етуі мүмкін.
9. Көп-перспективалық талдау
Өлшемді дәлдік
Қатаң төзімділіктер (± 1%, Бетпе-бет ± 2 мм) Орнату кезінде түзетуді азайту.
Сонымен қатар, Дәл өлшемдер тығыздағыш тығыздауды қамтамасыз етеді, Қысып кету кезінде тығыздағыштың тұтастығын сақтау 250 төр.
Материалдық үйлесімділік
Материалды селекциялық-көміртекті болат, Тот баспайтын болат, немесе мамандандырылған қорытпалар - көбінесе қабырға қалыңдығы мен жалпы өлшемдерді өзгертеді.
Мысалы, Тот баспайтын клапандар болуы мүмкін 5% Коррозияға мүмкіндік беретін қалың қабырғалар, сол арқылы номиналды F2F өлшемдерін аздап өзгертеді.
Қысым-температуралық рейтингтер
Клапанның дене рейтингі фланецтік рейтингтермен туралануы керек.
Мысал ретінде, анси 300# клапан (Ең көп жұмыс қысымы 74 бар 100 ° °) жұптары бар 300# Үлкен болт шеңберлері бар фланецтер (216 мм ft. 184 мм үшін 150#), қысым класы үшін бөлек кесте бағанын қажет ету.
Өтінішке қатысты пікірлер
- Мұнайхимиялық VS. Сумен емдеу және vs. Hvac: Мұнай-химиялық зауыттардағы агрессивті орталар жиі арнайы қорытпаларды және қатаң төзімділікті қажет етеді; керісінше, HVAC клапандары бос ANSI-ге сәйкес келуі мүмкін 150# ерекшеліктері.
- Санитарлық (Tri-қысқыш) қарсы және. өнеркәсіптік фланецтер: Үш қысқыш фитингтер түйіспелі дәнекерленген немесе қысқыш ұшы қосылымдарын пайдаланады және әдетте ANSI/DIN болт үлгілерінен толығымен шығады.,
мамандандырылған шағын үстелге кепілдік береді.
Шығындар және жеткізу тізбегі
Стандартты клапандар (90% нарықтық сұраныс) қысқа жеткізу уақытынан ләззат алыңыз (2-4 апта) және бірлік құнының төмендеуі.
Дегенмен, реттелетін өлшемдер немесе арнайы материалдар жеткізу уақытын 12-16 аптаға дейін ұзартуы және құнын 30-50% арттыруы мүмкін..
, Сорт, танымал өлшемдерді жинақтау (E.Г., Ұлттық желі 2, 4, 6) тоқтап қалу қаупін азайтады және тауарлық-материалдық қорларды тасымалдау шығындарын азайтады.
10. Қорытынды
Клапандардың өлшемдерін дәл анықтау және стандарттарды ауыстыру қондырғының сенімділігін сақтауда шешуші рөл атқарады., өнімділікті оңтайландыру, және шығындарды бақылау.
Жақсы ұйымдастырылған клапан өлшемін салыстыру кестесін құру арқылы — маңызды өлшемдермен толтырылады, Қысым сыныптары, және материалдық ескертулер,
Инженерлік топтар дизайн шолуларын жеңілдете алады, сатып алуды жеделдету, және орнату қателерін азайтыңыз.
Сайып келгенде, осы кестелерді құруға және ұстауға уақытты жұмсау қысқартылған тоқтау уақытында дивидендтер береді, күшейтілген қауіпсіздік, және операциялық тиімділікті жақсартты.
Әртүрлі клапан өндірушілерде стандартты өлшемдерге негізделген шамалы ауытқулар болуы мүмкін.
Іс жүзінде клапандарды таңдағанда, жобаның нақты талаптарын ескеру қажет, құбыр жүйесінің параметрлері, және дәл таңдауды және дұрыс орнатуды қамтамасыз ету үшін өндіруші ұсынған өнім сипаттамалары.
Осы Егер сізге сапалы қажеттілік қажет болса, сіздің өндіріс қажеттіліктеріңіз үшін тамаша таңдау Клапан компоненттері.



